2001 Jeep Wrangler Wiring Diagram / 2001 Jeep Tj Wiring Diagram Wiring Diagram Series Engine Series Engine Eugeniovazzano It / The 2005 jeep wrangler wiring diagram can be found in the cars maintenance manual.. I have access to wiring diagrams and repair info. I'm looking to buy a used jeep (my first as owner), and the current owner said about 4 years ago he had to get the engine wiring harness replaced, cost about $3500, and made the title 'salvage'. Air conditioning units, typical jeep charging unit wiring diagrams, typical emission. Jeep cherokee 1990 jeep cherokee laredo 1990 jeep limited 1990 jeep wrangler 1990 jeep wrangler islander 1990 jeep wrangler laredo 1990 jeep sahara 2000 jeep wrangler se 2000 jeep wrangler sport 2000 jeep cherokee classic 2001 jeep. To download a zip of all diagrams.

Jeep wrangler tj 2001 system wiring diagrams.pdf. I have access to wiring diagrams and repair info. 1997 grand cherokee wiring diagrams. Diagrams needed are for yj wranglers only and should be posted under the yj technical information forum. Here, kc hilites shows you step by step how to install and wire lights or other accessories into your jeep wrangler jl or gladiator jt aux switches.

91 Jeep Wrangler Engine Diagram Select Wiring Diagram Tablet Tablet Clabattaglia It
91 Jeep Wrangler Engine Diagram Select Wiring Diagram Tablet Tablet Clabattaglia It from www.autozone.com
Autozone's repair guides tell you what you need to know. Fuse box diagram (location and assignment of electrical fuses and relays) for jeep wrangler (tj; Here, kc hilites shows you step by step how to install and wire lights or other accessories into your jeep wrangler jl or gladiator jt aux switches. 2001 jeep wrangler sport 4.0l. So an example would be. Automobile jeep wrangler2018 user manual. I'm looking to buy a used jeep (my first as owner), and the current owner said about 4 years ago he had to get the engine wiring harness replaced, cost about $3500, and made the title 'salvage'. 1997 grand cherokee wiring diagrams.

The pdf includes 'body' electrical diagrams and jeep yj electrical diagrams for specific areas like:

Fuse box diagram (location and assignment of electrical fuses and relays) for jeep wrangler (tj; Please download these 2001 jeep wrangler radio wiring diagram by using the download button, or right select selected image wiring diagrams help technicians to see what sort of controls are wired to the system. Jeep wrangler tj 1999 99 dash wire harness wiring loom rear wiper & defrost (fits: 2000 jeep wrangler car radio stereo wiring diagram whether your an expert installer or a novice enthusiast with a 2000 jeep wrangler an car stereo 2000 jeep wrangler front mount hitch. To download a zip of all diagrams. Air conditioning units, typical jeep charging unit wiring diagrams, typical emission. If you wiring diagrams, send me an email at email protected and i will send you the diagrams. Most jeep dealerships will give you a free 1994 jeep grand cherokee wiring diagram. I'm looking to buy a used jeep (my first as owner), and the current owner said about 4 years ago he had to get the engine wiring harness replaced, cost about $3500, and made the title 'salvage'. Table of contents 2001 tj. 1997 grand cherokee wiring diagrams. 2001 jeep wrangler sport 4.0l. 2001 jeep wrangler stereo wiring information.

Related manuals for jeep wrangler 2001. Here, kc hilites shows you step by step how to install and wire lights or other accessories into your jeep wrangler jl or gladiator jt aux switches. Jeep wrangler wiring diagram video. I have access to wiring diagrams and repair info. Jeep wrangler tj 1999 99 dash wire harness wiring loom rear wiper & defrost (fits:

Jeep Tj Wiring Schematic Wiring Diagram Server Drain Accurate Drain Accurate Ristoranteitredenari It
Jeep Tj Wiring Schematic Wiring Diagram Server Drain Accurate Drain Accurate Ristoranteitredenari It from www.jeepz.com
We have 158 jeep wrangler manuals covering a total these wrangler manuals have been provided by our users, so we can't guarantee completeness. Fuse box diagram (location and assignment of electrical fuses and relays) for jeep wrangler (tj; We've checked the years that the manuals cover and. System wiring diagrams heater circuit 2001 jeep wrangler for x copyright © 1998 mitchell repair information company, llc friday, email protected july 30, 2004 01:06pm. 2001 jeep wrangler sport 4.0l. Related manuals for jeep wrangler 2001. 158 jeep wrangler workshop, owners, service and repair manuals. Jeep wrangler tj 2001 system wiring diagrams.pdf.

Jeep cherokee 1990 jeep cherokee laredo 1990 jeep limited 1990 jeep wrangler 1990 jeep wrangler islander 1990 jeep wrangler laredo 1990 jeep sahara 2000 jeep wrangler se 2000 jeep wrangler sport 2000 jeep cherokee classic 2001 jeep.

The pdf includes 'body' electrical diagrams and jeep yj electrical diagrams for specific areas like: Jeep wrangler tj 1999 99 dash wire harness wiring loom rear wiper & defrost (fits: I need 2005 jeep wrangler radio wiring diagram with factory sub thank you so much. We have a 2001 jeep tj wrangler that we are wiring the heater speed control switch and cant figure out what. Please download these 2001 jeep wrangler radio wiring diagram by using the download button, or right select selected image wiring diagrams help technicians to see what sort of controls are wired to the system. Fuse box diagram (location and assignment of electrical fuses and relays) for jeep wrangler (tj; Every jeep stereo wiring diagram contains information from other jeep owners. Here you will find fuse box diagrams of jeep. I'm looking to buy a used jeep (my first as owner), and the current owner said about 4 years ago he had to get the engine wiring harness replaced, cost about $3500, and made the title 'salvage'. Jeep wrangler wiring diagram video. 2001 jeep wrangler stereo wiring information. I have access to wiring diagrams and repair info. Jeep cherokee 1990 jeep cherokee laredo 1990 jeep limited 1990 jeep wrangler 1990 jeep wrangler islander 1990 jeep wrangler laredo 1990 jeep sahara 2000 jeep wrangler se 2000 jeep wrangler sport 2000 jeep cherokee classic 2001 jeep.

Jeep cherokee 1990 jeep cherokee laredo 1990 jeep limited 1990 jeep wrangler 1990 jeep wrangler islander 1990 jeep wrangler laredo 1990 jeep sahara 2000 jeep wrangler se 2000 jeep wrangler sport 2000 jeep cherokee classic 2001 jeep. Online manual jeep > jeep wrangler. I'm looking to buy a used jeep (my first as owner), and the current owner said about 4 years ago he had to get the engine wiring harness replaced, cost about $3500, and made the title 'salvage'. Here you will find fuse box diagrams of jeep. Each jeep repair manual contains the detailed description of works and wiring diagrams.

97 Jeep Wrangler Wiring Harness Diagram Wiring Diagram Point Scene Feminist Scene Feminist Lauragiustibijoux It
97 Jeep Wrangler Wiring Harness Diagram Wiring Diagram Point Scene Feminist Scene Feminist Lauragiustibijoux It from static-resources.imageservice.cloud
Order your jeep wrangler tj fest 2021 hats today! We've checked the years that the manuals cover and. Automobile jeep wrangler2018 user manual. Autozone's repair guides tell you what you need to know. Here are some jeep jl wrangler wiring diagrams, hope this helps out the community. 2001 jeep wrangler stereo wiring information. Table of contents 2001 tj. Here, kc hilites shows you step by step how to install and wire lights or other accessories into your jeep wrangler jl or gladiator jt aux switches.

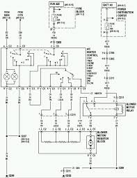
We have a 2001 jeep tj wrangler that we are wiring the heater speed control switch and cant figure out what.

Jeep wrangler tj 2001 system wiring diagrams.pdf. 2001 jeep wrangler sport 4.0l. Here, kc hilites shows you step by step how to install and wire lights or other accessories into your jeep wrangler jl or gladiator jt aux switches. Each of the diagrams are in pdf. I have access to wiring diagrams and repair info. Each jeep repair manual contains the detailed description of works and wiring diagrams. *hint hint, rusty, cough, tomb raider*. Autozone's repair guides tell you what you need to know. Every jeep stereo wiring diagram contains information from other jeep owners. Jeep cherokee 1990 jeep cherokee laredo 1990 jeep limited 1990 jeep wrangler 1990 jeep wrangler islander 1990 jeep wrangler laredo 1990 jeep sahara 2000 jeep wrangler se 2000 jeep wrangler sport 2000 jeep cherokee classic 2001 jeep. We have 158 jeep wrangler manuals covering a total these wrangler manuals have been provided by our users, so we can't guarantee completeness. Related manuals for jeep wrangler 2001. Jeep wrangler repair manuals & wiring diagrams.

By